DEUBLIN旋转接头1114-927-930技术参数
Operating Specifications | |
Media | MQL, Coolant, Air |
Rotor Connection | Female Hex, 8.1 mm pilot |
Housing Connection | G 1/4"-19 |
Air Max. Flow | 621 l/min |
Air Max. Pressure | 10 bar |
Air Max. Temperature | 71 °C |
Coolant Max. Flow | 24.3 l/min |
Coolant Max. Pressure | 140 bar |
Coolant Max. Temperature | 71 °C |
MQL Max. Flow | 621 l/min |
MQL Max. Pressure | 10 bar |
MQL Max. Temperature | 71 °C |
DEUBLIN旋转接头1114-927-930产品介绍
冷却剂和干燥空气的单通道
获得专利的 AutoSense™ 技术可根据介质类型在封闭密封和受控泄漏操作之间自动切换
钻孔式设计,易于安装
允许最大 19 毫米的轴向牵引杆移动
匹配的 ISO 级 P4 混合滚珠轴承可在高速下平稳运行
迷宫式系统和大型通风口以保护滚珠轴承
全流量设计没有任何障碍物可以收集切屑或碎屑
由碳化硅制成的平衡机械密封即使在恶劣的操作条件下也能实现长寿命
阳极氧化铝和不锈钢部件耐腐蚀
Single passage for both coolant and dry air
Patented AutoSense™ technology changes automatically between closed seals and controlled leakage operation in response to the kind of media
Bore-mounted design for easy installation
Allows axial drawbar movement up to 19 mm
Matched, ISO class P4 hybrid ball bearings for smooth operation at high speeds
Labyrinth system and large vents to protect ball bearings
Full-flow design has no obstructions to trap swarf or debris
Balanced mechanical seals made from silicon carbide for long life even under difficult operating conditions
Anodized aluminum and stainless steel parts resist corrosion
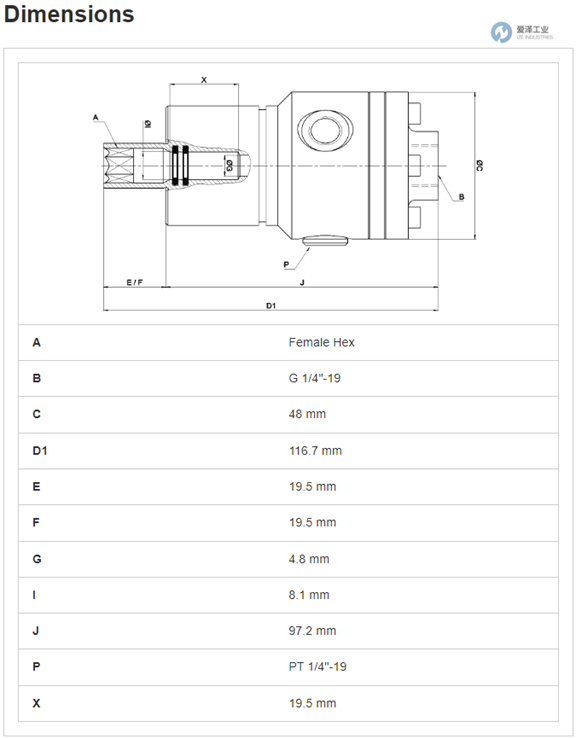
DEUBLIN旋转接头1114-927-930技术尺寸

DEUBLIN旋转接头1114-927-930/系列其他常用型号:
DEUBLIN 1114-040-188
DEUBLIN 1114-020-192
DEUBLIN 1114-021-188
DEUBLIN 1114-020-188
DEUBLIN 1114-710-717
DEUBLIN 1114-838-188
DEUBLIN 1114-041-188
DEUBLIN 1114-010-165
DEUBLIN 1114-011-165
DEUBLIN 1114-927-930
DEUBLIN Union NEW + ORIGINAL+ ONE YEAR WARRANTY
爱泽工业成立于2010年,定位于向制造工业提供高端制造技术和设备。代理经营世界优质的电气自动化、机械与传动、流体控制、仪器仪表、工具等产品。作为电气,液压以及气动解决方案的合作伙伴,我们利用我们的全球协作团队,为客户提供先进解决方案,市场知识以及相关增值服务来帮助优化客户的工作效率,提高可靠性和安全性,致力于成为工业产品和解决方案的优质渠道。
如果有任何关于DEUBLIN旋转接头1114-927-930的疑问,请随时与我们沟通(021-31006702)。我们将尽全力解决您的问题。
If you have any question for DEUBLIN products, please feel free to dial 0086-21-3100 6702/ send request email to [email protected] / browse our website:www.ize-industries.com.
DEUBLIN旋转接头1114-927-930技术参数及尺寸












沪公网安备31011002006738号