INTORQ整流器BEG-561-255-130技术参数
Type | BEG-561-255-130 |
Input voltage U1 (40 Hz to 60 Hz) Min. [V~] | 160 |
Input voltage U1 (40 Hz to 60 Hz) Rated [V~] | 230 |
Input voltage U1 (40 Hz to 60 Hz) Max. [V~] | 255 |
Max. current load Imax Bridge [A] | 3.0 |
Max. current load Imax Half-wave [A] | 1.5 |
Overexcitation time tü (±20%) at U1min [s] | 1.870 |
Overexcitation time tü (±20%) at U1rated [s] | 1.300 |
Overexcitation time tü (±20%) at U1max [s] | 1.170 |
INTORQ整流器BEG-561系列介绍
桥式/半波整流器用于为经批准可与此类整流器一起运行的电磁直流电流弹簧施加制动器供电。 任何其他用途均需获得 INTORQ 的批准。
一旦经过设定的过励磁时间,桥式/半波整流器就会从桥式整流切换到半波整流。 这使得可以根据负载尺寸提高开关性能或降低功率。
Bridge/half-wave rectifiers are used to supply power to the electromagnetic DC current spring-applied brakes approved for operation with this type of rectifier. Any other use is subject to the approval of INTORQ.
Once a set overexcitation time has elapsed, the bridge/halfwave rectifiers switch from bridge rectification to half-wave rectification. This makes it possible to improve switching performance or reduce power in accordance with load dimensioning.
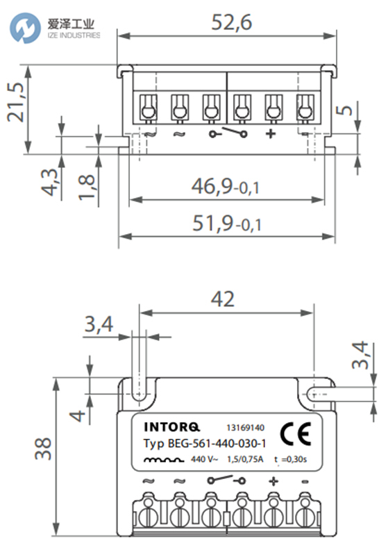
INTORQ整流器BEG-561系列技术尺寸

INTORQ整流器BEG-561系列选型

INTORQ整流器BEG-561系列其他常用型号:
INTORQ BEG-561-255-030
INTORQ BEG-561-255-130
INTORQ BEG-561-440-006-1
INTORQ BEG-561-440-030- 1
INTORQ BEG-561-440-130
INTORQ Rectifier NEW + ORIGINAL+ ONE YEAR WARRANTY
爱泽工业成立于2010年,定位于向制造工业提供高端制造技术和设备。代理经营世界优质的电气自动化、机械与传动、流体控制、仪器仪表、工具等产品。作为电气,液压以及气动解决方案的合作伙伴,我们利用我们的全球协作团队,为客户提供先进解决方案,市场知识以及相关增值服务来帮助优化客户的工作效率,提高可靠性和安全性,致力于成为工业产品和解决方案的优质渠道。
如果有任何关于INTORQ整流器BEG-561-255-130的疑问,请随时与我们沟通(021-31006702)。我们将尽全力解决您的问题。
If you have any question for INTORQ products, please feel free to dial 0086-21-3100 6702/ send request email to [email protected] / browse our website:www.ize-industries.com.
INTORQ整流器BEG-561系列BEG-561-255-130技术参数及选型














沪公网安备31011002006738号