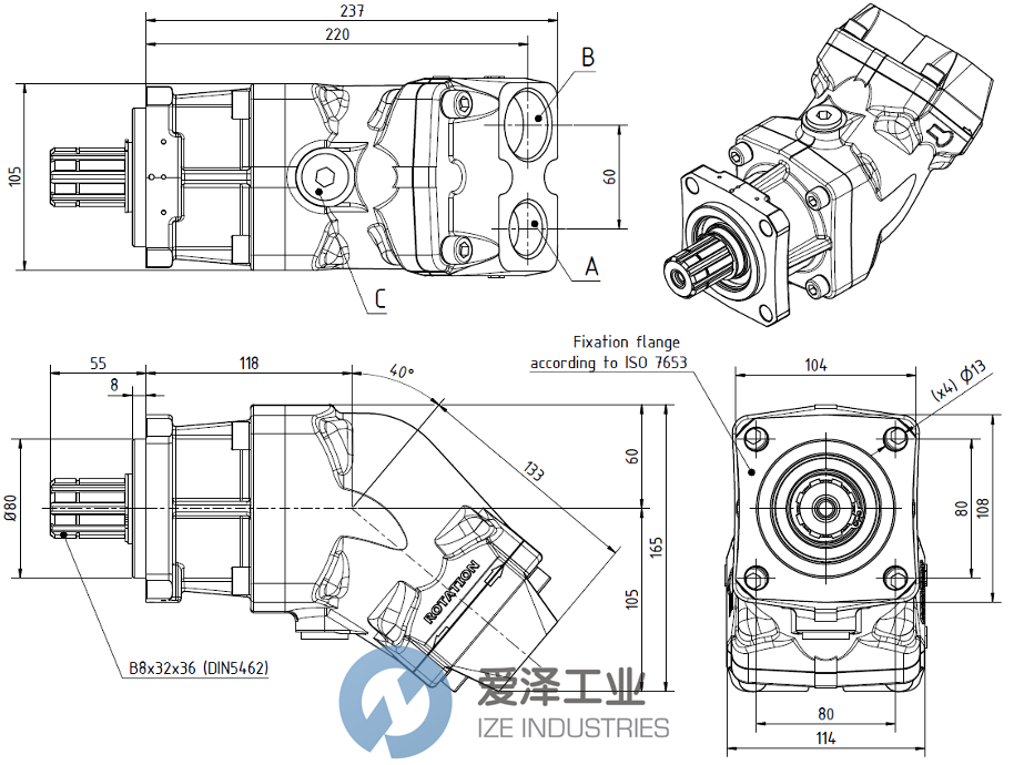
ABER柱塞泵BIF80M7系列技术参数
| |
Pumps BIF | 80M7 |
Displacement (cm3/rot.) | 81 |
Operating pressure (bar) (up to) | 350 |
Peak pressure (bar) | 400 |
Operating rotation1 (rpm) | 1500 |
Max. rotation without load1 (rpm) | 2000 |
Weight (approx.) (kg) | 12.8 |
Pistons quantity | 7 |
A-Oil outlet (DIN ISO 228) | 1’’BSP |
B-Oil inlet (DIN ISO 228) | 1 1/4’’BSP |
C | Drain hole |
ABER柱塞泵BIF系列介绍
铸铁弯轴活塞泵 – BIF 系列非常紧凑,设计高效。
配置为在移动应用(如卡车)上具有特殊优势,后轴卡车变速箱和液压泵之间碰撞概率很高。
这些泵性能卓越,噪音极低,油流连续。
这是由于内置活塞数量(BI_M5 上有 5 个活塞,BI_M7 上有 7 个活塞)。
BIF 泵配备可承受极端环境温度的密封件。
此外,BIF 系列允许轻松安全地改变所有泵组件的旋转方式。
主要特点
• 压力更高
• 脉冲更少
• 效率最高
• 紧凑设计
• 适用于 ZF Astronic 变速箱
Iron cast Bent Axis Piston Pumps – BIF Series are very compact and designed for efficiency.
Configured to give particular advantage on mobile applications such as trucks with high collision probability between the rear axle truck transmission and the hydraulic pump.
These pumps have an excellent performance, very low noise and a continuous flow of the oil.
This is due to the number of pistons built-in (5 pistons on BI_M5, 7 pistons on BI_M7).
BIF pumps are equipped with seals that bear extreme environmental temperatures.
Futhermore, the BIF Series allows a change in the rotation way easily and safely for all the pump components.
Main Features
• Higher Pressure
• Less Pulse
• Maximum Efficiency
• Compact Design
• Fits on ZF Astronic Gearbox Transmissions
ABER柱塞泵BIF系列其他常用型号:
ABER BIF80M7EN
ABER BIF80M7LS
ABER BIF80M7
ABER BIF60M7
ABER BIF17M
ABER BIF25M
ABER BIF30M
ABER BIF40M
ABER BIF50M
ABER PUMP NEW + ORIGINAL+ ONE YEAR WARRANTY
爱泽工业成立于2010年,定位于向制造工业提供高端制造技术和设备。代理经营世界优质的电气自动化、机械与传动、流体控制、仪器仪表、工具等产品。作为电气,液压以及气动解决方案的合作伙伴,我们利用我们的全球协作团队,为客户提供先进解决方案,市场知识以及相关增值服务来帮助优化客户的工作效率,提高可靠性和安全性,致力于成为工业产品和解决方案的优质渠道。
如果有任何关于ABER柱塞泵BIF80M7 LS的疑问,请随时与我们沟通(021-31006702)。我们将尽全力解决您的问题。
If you have any question for ABER products, please feel free to dial 0086-21-3100 6702/ send request email to [email protected] / browse our website:www.ize-industries.com.
ABER柱塞泵BIF系列BIF80M7 LS技术参数及介绍
















沪公网安备31011002006738号