Calpeda是一家致力于研究,开发,制造和工业化泵系统的公司。
主营业务有:
CALPEDA单叶轮和双叶轮离心泵
CALPEDA多级泵
CALPEDA游泳池和漩涡泵
CALPEDA自吸泵
CALPEDA外围和齿轮泵
CALPEDA潜水排水和污水泵
CALPEDA潜水式,钻孔式和浸入式泵
CALPEDA循环泵
CALPEDA增压和消防装置
CALPEDA电子设备和控制面板。
CALPEDA离心泵B-C22/A技术参数
DATI POMPA E MOTORE | |
n (rpm): | 2900 |
N. di giranti: | 1 |
Max pressione di esercizio (bar): | 6 |
H max (m): | 21 |
H min (m): | 10 |
Q min (mc/h): | 1.5 |
Q max (mc/h): | 6.6 |
Pn (kW): | 0.55 |
Pn (HP): | 0.75 |
Diametro girante (mm): | 119.5 |
Tipo motore: | IM |
Fasi motore: | 3~ |
Un (V): | 230/400 |
fn (Hz): | 50 |
Poli: | 2 |
In (A): | 3 / 1.7 |
PF: | 0.8 |
Classe di isolamento: | F |
Servizio: | S1 |
Min temperatura del liquido (°C): | -10.00 °C |
IE: | IE2-74.1 |
Peso (kg): | 10.61 |
Protezione: | IP 54 |
MATERIALI | |
Corpo pompa: | Bronzo G-Cu Sn 10 EN 1982 |
Raccordo: | Bronzo G-Cu Sn 10 EN 1982 |
Girante: | Ottone P-Cu Zn 40 Pb 2 UNI 5705 |
Albero: | Acciaio inossidabile al Cr-Ni-Mo 1.4401 EN 10088 (AISI 316) |
Tenuta meccanica: | Carbone-Ceramica-NBR |
CALPEDA离心泵B-C22/A产品介绍
带开式叶轮的紧耦合离心泵。
用于 C 16/1E 型的自由流动叶轮(涡流或嵌入式叶轮)。
B-C:带泵壳和青铜灯笼支架的版本(泵已完全涂漆)。
Close-coupled centrifugal pumps with open impeller.
Free-flow impeller (vortex or recessed impeller) for type C 16/1E.
B-C: version with pump casing and lanter bracket in bronze (the pumps are supplied fully painted).
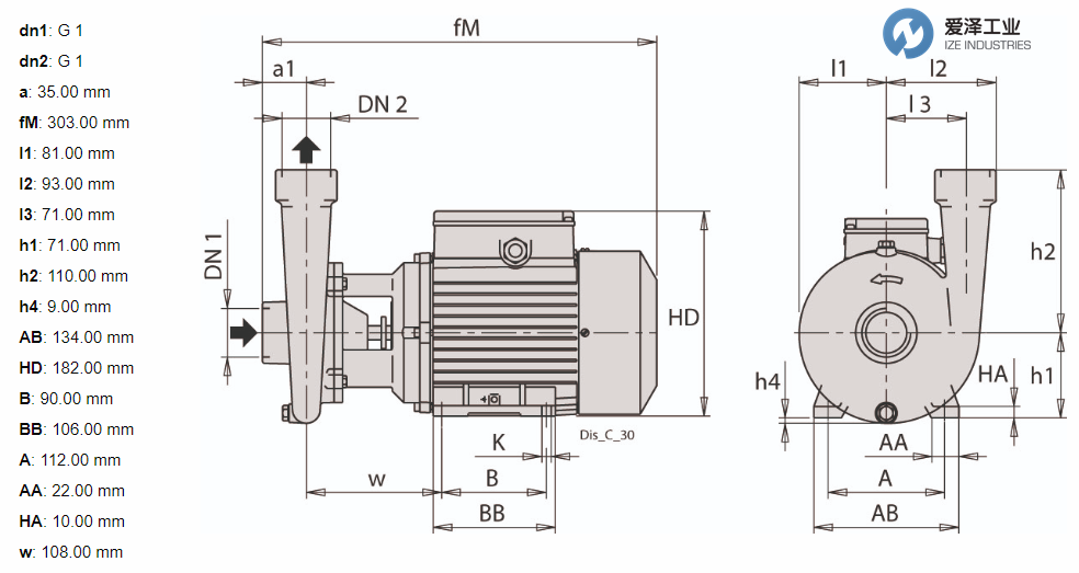
CALPEDA离心泵B-C22/A技术尺寸 
CALPEDA离心泵C系列其他常用型号:
CALPEDA C 16/1E
CALPEDA B-C 16/1E
CALPEDA C 20E
CALPEDA B-C 20/A
CALPEDA C 22/1/A
CALPEDA B-C 22/1/A
CALPEDA C 22E
CALPEDA B-C 22/A
CALPEDA C 4/1/A
CALPEDA C 4/B
CALPEDA B-C 41/1 E
CALPEDA C 41/A
CALPEDA B-C 41/A
CALPEDA Centrifugal Pumps NEW + ORIGINAL+ ONE YEAR WARRANTY
爱泽工业成立于2010年,定位于向制造工业提供高端制造技术和设备。代理经营世界优质的电气自动化、机械与传动、流体控制、仪器仪表、工具等产品。作为电气,液压以及气动解决方案的合作伙伴,我们利用我们的全球协作团队,为客户提供先进解决方案,市场知识以及相关增值服务来帮助优化客户的工作效率,提高可靠性和安全性,致力于成为工业产品和解决方案的优质渠道。
如果有任何关于CALPEDA离心泵B-C22/A的疑问,请随时与我们沟通(021-31006702)。我们将尽全力解决您的问题。
If you have any question for CALPEDA products, please feel free to dial 0086-21-3100 6702/ send request email to [email protected] / browse our website:www.ize-industries.com.
CALPEDA离心泵B-C22/A技术参数及尺寸

沪公网安备31011002006738号