BELIMO作为一家始创于1975年的瑞士公司,BELIMO博力谋主要为广大客户提供应用在加热,通风及空调等领域的优秀品质的风门和执行器。
BELIMO产品有:风阀执行器,阀门,感测器等。
BELIMO风阀执行器BFN230技术参数
Electrical data | |
Nominal voltage | AC 230 V |
Nominal voltage frequency | 50/60 Hz |
Nominal voltage range | AC 19...264 V |
Power consumption in operation | 4.5 W |
Power consumption in rest position | 2W |
Power consumption for wire sizing | 9 VA |
Power consumption for wire sizing note | Imax4A @ 5 ms |
Auxiliary switch | 2 x SPDT |
Switching capacity auxiliary switch | 1 m...3 A (0.5 A inductive), DC 5 V..AC 250 V (II, reinforced insulation) |
Switching points auxiliary switch | 5° / 80° |
Connection supply / control | Cable 1 m, 2 x 0.75 mm2 (halogen-free) |
Connection auxiliary switch | Cable 1 m, 6 x 0.75 mm2 (halogen-free) |
Functional data | |
Torque motor | 9 Nm |
Torque fail-safe | 7 Nm |
Direction of motion motor | selectable by mounting L/R |
Manual override | with position stop |
Angle of rotation | Max.95° |
Running time motor | <60s / 90° |
Running time fail-safe | 20s @-10.. .55°C/ <60s @ -0...-10°C |
Sound power level, motor | 55 dB(A) |
Sound power level, fail-safe | 67 dB(A) |
Mechanical interface | Form fit 12x12 mm, continuous hollow shaft |
Position indication | Mechanically, with pointer |
Service life | Min. 60'000 safety positions |
Safety data | |
Protection dlass IEC/EN | II, reinforced insulation |
Protection class auxiliary switch IEC/EN | II, reinforced insulation |
Degree of protection IEC/EN | IP54 |
Degree of protection note | IP protection in all mounting positions |
EMC | CE according to 2014/30/EU |
Low voltage directive | CE according to 2014/35/EU |
Certification IEC/EN | IEC/EN 60730-1 and IEC/EN 60730-2-14 |
Mode of operation | Type 1.AA.B |
Rated impulse voltage supply / control | 4 kV |
Pollution degree | 3 |
Ambient temperature normal operation | -30.. .55°C |
Ambient temperature safety operation | The safety position will be attained up to max.75°C |
Storage temperature | -40...0°C |
Ambient humidity | Max. 95% RH, non-condensing |
Servicing | maintenance-free |
Weight | |
Weight | 1.3 kg |
BELIMO风阀执行器BFN230产品介绍
执行器在拉紧复位弹簧的同时将阻尼器移动到操作位置。 当电源电压中断时,阻尼器通过弹簧能量返回到安全位置。
无需电源,执行器可以手动操作并固定在任何需要的位置。 它可以通过施加电源电压手动或自动解锁。
The actuator moves the damper to the operating position at the same time as tensioning the return spring. The damper is turned back to the safety position by spring energy when the supply voltage is interrupted.
Without power supply, the actuator can be operated manually and fixed in any required position. It can be unlocked manually or automatically by applying the supply voltage.
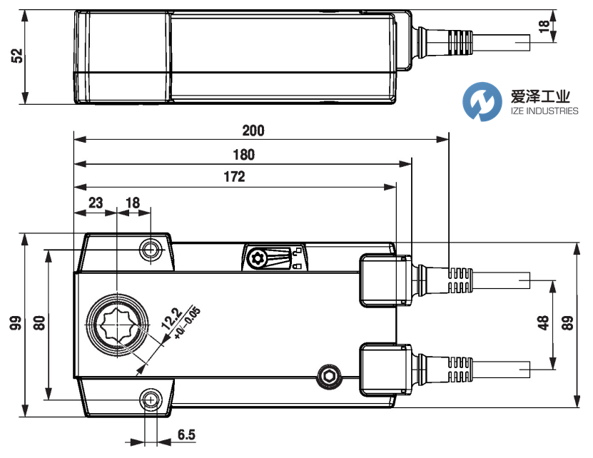
BELIMO风阀执行器BFN230技术尺寸

BELIMO风阀执行器BFN230/系列其他常用型号:
BELIMO BFN230-T
BELIMO BFN230-T-ST
BELIMO BFN230
BELIMO BFN230-T/300
BELIMO BFN230-T/500
BELIMO BFN230/300
BELIMO BFN230/500
BELIMO Damper Actuator NEW + ORIGINAL+ ONE YEAR WARRANTY
爱泽工业成立于2010年,定位于向制造工业提供高端制造技术和设备。代理经营世界优质的电气自动化、机械与传动、流体控制、仪器仪表、工具等产品。作为电气,液压以及气动解决方案的合作伙伴,我们利用我们的全球协作团队,为客户提供先进解决方案,市场知识以及相关增值服务来帮助优化客户的工作效率,提高可靠性和安全性,致力于成为工业产品和解决方案的优质渠道。
如果有任何关于BELIMO风阀执行器BFN230的疑问,请随时与我们沟通(021-31006702)。我们将尽全力解决您的问题。
If you have any question for BELIMO products, please feel free to dial 0086-21-3100 6702/ send request email to [email protected] / browse our website:www.ize-industries.com.
BELIMO风阀执行器BFN230技术参数及尺寸

沪公网安备31011002006738号