TRELLEBORG特瑞堡密封系统成立于1952年,已收购德国BUSAK+SHAMBAN。
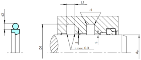
TRELLEBORG密封RS1301600-T46N技术参数
| |
Part No. | RS1301600 |
Rod dN f8/h9 | 160.0 |
Groove Diameter D1 H9 | 175.1 |
Groove Width L 1 +0.2 | 6.3 |
O-Ring Size | 164.47 x 5.33 |
TRELLEBORG密封RS系列介绍
在液压工程中,活塞杆的密封对操作安全和环境保护提出了最高的要求。
杆密封件在所有运行条件下不得向大气侧发生动态泄漏,并且在机器静止时必须完全密封。
此外,它们应通过低摩擦实现高机械效率,并易于安装在狭小凹槽中。成本和使用寿命必须满足操作人员的高期望。
优势
- 优异的静态和动态密封效果
- 低摩擦,高效率
- 无粘滑启动,不粘连
- 高耐磨性,高运行可靠性
- 简单的沟槽设计
- 根据所选O型圈材料,适用温度范围广,耐化学腐蚀性强
- 安装简便,密封边缘不变形
- 适用于直径最大达2600毫米的各种规格
The sealing of piston rods places the highest demands on operational safety and environmental protection in hydraulic engineering.
Rod seals must exhibit no dynamic leakage to the atmosphere side under all operating conditions and must be statically completely leak tight when the machine is at a standstill.
Furthermore, they should achieve a high degree of mechanical efficiency through low friction and be easy to install in small grooves. Costs and service life must meet the high expectations of the operator.
Advantages
- High static and dynamic sealing effect
- Low friction, high efficiency
- Stick-slip-free starting, no sticking
- High abrasion resistance, high operational reliability
- Simple groove design
- Wide range of application temperatures and high resistance to chemicals, depending on the choice of O-Ring material
- Simple installation without seal edge deformation
- Available for all diameters up to 2.600 mm
TRELLEBORG密封RS系列其他常用型号:
TRELLEBORG RS1301600-T46N
TRELLEBORG RS1101400-T46N
TRELLEBORG RS1301405-T46N
TRELLEBORG RS1301450-T46N
TRELLEBORG RS1101450-T46N
TRELLEBORG RS1301500-T46N
TRELLEBORG RS1101500-T46N
TRELLEBORG RS1301530-T46N
TRELLEBORG RS1301550-T46N
TRELLEBORG RS1101600-T46N
TRELLEBORG Graley Circle NEW + ORIGINAL+ ONE YEAR WARRANTY
爱泽工业成立于2010年,定位于向先进制造工业提供高端制造技术和设备。代理经营世界先进的电气自动化、机械与传动、流体控制、仪器仪表、工具等产品。作为电气,液压以及气动解决方案的合作伙伴,我们利用我们的全球协作团队,为客户提供先进解决方案,市场知识以及相关增值服务来帮助优化客户的工作效率,提高可靠性和安全性,致力于成为工业产品和解决方案的优质渠道。
如果有任何关于TRELLEBORG密封RS1301600-T46N的疑问,请随时与我们沟通(021-31006702)。我们将尽全力解决您的问题。
If you have any question for TRELLEBORG products, please feel free to dial 0086-21-3100 6702/ send request email to [email protected] / browse our website: www.ize-industries.com.
TRELLEBORG密封RS系列RS1301600-T46N技术参数及介绍

沪公网安备31011002006738号