REXROTH OIL CONTROL的主要产品有:换向阀,止回阀,电磁阀,平衡阀,球阀,插装阀,单向阀,溢流阀,行程阀,驱动阀,安全阀,阀组,阀块,电磁阀线圈,流量计等等。
REXROTH阀OL280404A000000 R930064975技术参数
Technical Specs | |
Product attributes | |
Product family classification | Standard integrated circuit solenoid operated ventable relief valve |
Product family type | VSP-VEI |
Product family | VSP-19-VEI-16-08A |
Operating pressure, max. | 210.0 [bar] |
Max. flow | 200.0 [l/min] |
Type of connection | Threaded connection |
Direct - Pilot | Pilot operated |
Nominal flow | 200.0 [l/min] |
Adjustable pressure range | 105-210 [bar] |
Ports | G 3/4 |
Hydraulic fluid | HL HLP |
Product family | 2 ways + relief |
Product type | VEI-VS |
Weight | 2.28 [kg] |
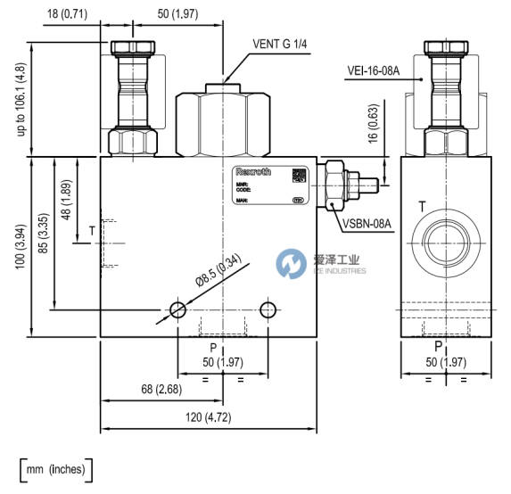
REXROTH阀VSP-19-VEI-16-08A系列技术尺寸
REXROTH阀VSP-19-VEI-16-08A系列选型

REXROTH阀VSP-19-VEI-16-08A系列其他常用型号:
REXROTH OL270404A000000 R930067220
REXROTH OL270407A000000 R930066297
REXROTH OL270507A000000 R930066271
REXROTH OL280401A000000 R930066270
REXROTH OL280404A000000 R930064975
REXROTH OL280407A000000 R930064996
REXROTH OL280504A000000 R930066278
REXROTH OL280507A000000 R930064973
REXROTH valve NEW + ORIGINAL+ ONE YEAR WARRANTY
爱泽工业成立于2010年,定位于向先进制造工业提供高端制造技术和设备。代理经营世界先进的电气自动化、机械与传动、流体控制、仪器仪表、工具等产品。作为电气,液压以及气动解决方案的合作伙伴,我们利用我们的全球协作团队,为客户提供先进解决方案,市场知识以及相关增值服务来帮助优化客户的工作效率,提高可靠性和安全性,致力于成为工业产品和解决方案的优质渠道。
如果有任何关于REXROTH阀OL280404A000000 R930064975的疑问,请随时与我们沟通(021-31006702)。我们将尽全力解决您的问题。
If you have any question for REXROTH products, please feel free to dial 0086-21-3100 6702/ send request email to [email protected] / browse our website: www.ize-industries.com.
REXROTH阀VSP-19-VEI-16-08A系列OL280404A000000 R930064975技术参数

沪公网安备31011002006738号