TRELLEBORG特瑞堡密封系统成立于1952年,已收购德国BUSAK+SHAMBAN。
| |
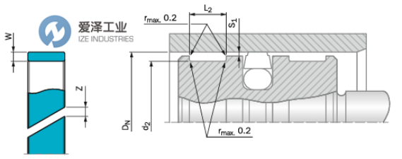
TSS Part No. | GP7302400 |
Bore Diameter | DN H9: 240.0 |
Groove Diameter | d2 h8: 235.0 |
Groove Width | L2+0.2: 15.0 |
Thickness | 2.5 W |
TRELLEBORG密封GP系列其他常用型号:
TRELLEBORG GP7302400-T47
TRELLEBORG GP6500300-T47
TRELLEBORG GP7502500-T47
TRELLEBORG GP7300630-T47
TRELLEBORG GP7301400-C320
TRELLEBORG GP7301800-C380
TRELLEBORG GP7503600-T47
TRELLEBORG GP9805400-C380
TRELLEBORG GP9807000-C380
TRELLEBORG seals NEW + ORIGINAL+ ONE YEAR WARRANTY
爱泽工业成立于2010年,定位于向先进制造工业提供高端制造技术和设备。代理经营世界先进的电气自动化、机械与传动、流体控制、仪器仪表、工具等产品。作为电气,液压以及气动解决方案的合作伙伴,我们利用我们的全球协作团队,为客户提供先进解决方案,市场知识以及相关增值服务来帮助优化客户的工作效率,提高可靠性和安全性,致力于成为工业产品和解决方案的优质渠道。
如果有任何关于TRELLEBORG密封GP7302400-T47的疑问,请随时与我们沟通(021-31006702)。我们将尽全力解决您的问题。
If you have any question for TRELLEBORG products, please feel free to dial 0086-21-3100 6702/ send request email to [email protected] / browse our website: www.ize-industries.com.
TRELLEBORG密封GP系列GP7302400-T47技术规格

沪公网安备31011002006738号