DYNAPAR,NORTHSTAR之前均为Danaher Control工业控制集团重要成员,目前隶属于FORTIVE集团,产品现均被标注为HENGSTLER品牌。
HENGSTLER继电器底座其他常用型号:
HENGSTLER 462-8001
HENGSTLER 462-8002
HENGSTLER 462-8003
HENGSTLER 462-8004
HENGSTLER 462-8005
HENGSTLER 462-8006
HENGSTLER 462-8009
HENGSTLER Relay NEW + ORIGINAL+ ONE YEAR WARRANTY
爱泽工业成立于2010年,定位于向先进制造工业提供高端制造技术和设备。代理经营世界先进的电气自动化、机械与传动、流体控制、仪器仪表、工具等产品。作为电气,液压以及气动解决方案的合作伙伴,我们利用我们的全球协作团队,为客户提供先进解决方案,市场知识以及相关增值服务来帮助优化客户的工作效率,提高可靠性和安全性,致力于成为工业产品和解决方案的优质渠道。
如果有任何关于HENGSTLER继电器底座462-8004的疑问,请随时与我们沟通(021-31006702)。我们将尽全力解决您的问题。
If you have any question for HENGSTLER products, please feel free to dial 0086-21-3100 6702/ send request email to [email protected] / browse our website: www.ize-industries.com.
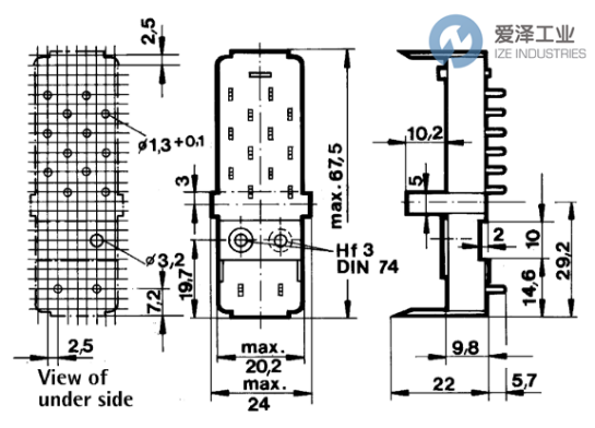
HENGSTLER继电器底座462-8004技术尺寸

沪公网安备31011002006738号