OIL CONTROL成立于1974年(现被博士力士乐收购),在意大利工业领域运动控制阀移动机械市场占有很高的市场容量,且业绩在汽车和工程机械行业迅速增长。今天的OIL CONTROL公司,已是移动设备与机械领域的阀门优质供应商,可以提供1600种不同类型的阀门生产与设计。
REXROTH OIL CONTROL的主要产品有:换向阀,止回阀,电磁阀,平衡阀,球阀,插装阀,单向阀,溢流阀,行程阀,驱动阀,安全阀,阀组,阀块,电磁阀线圈,流量计等等。
Technical data | |
Hydraulic | |
Operating pressure bar (psi) | up to 210 (3000) |
Max. flow l/min (gpm) | 40 (11) |
Relief setting: at least 1.3 times the highest expected load. | |
General | |
Manifold material | Aluminium |
Note: aluminium bodies are often strong enough for operating pressures exceeding 210 bar (3000 psi), depending from the fatigue life expected in the specific application. If in doubt, consult our Service Network. | |
Weight kg (lbs) | 0.75 (1.65) |
Fluid temperature range °C (°F) | between -30 (-22) and +100 (212) |
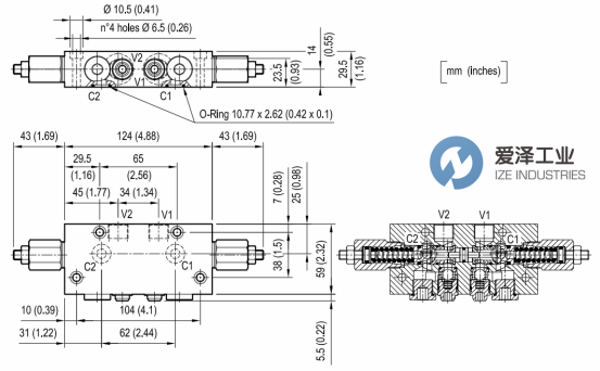
REXROTH阀VBSO-DE-NN-FC2系列技术尺寸
REXROTH阀VBSO-DE-NN-FC2系列选型介绍
REXROTH阀VBSO-DE-NN-FC2系列其他常用型号:
REXROTH 054248030220000 R930001879
REXROTH 054248030235000 R930001880
REXROTH 054248100220000 R930001882
REXROTH 054248100235000 R930001883
REXROTH valve NEW + ORIGINAL+ ONE YEAR WARRANTY
爱泽工业成立于2010年,定位于向先进制造工业提供高端制造技术和设备。代理经营世界先进的电气自动化、机械与传动、流体控制、仪器仪表、工具等产品。作为电气,液压以及气动解决方案的合作伙伴,我们利用我们的全球协作团队,为客户提供先进解决方案,市场知识以及相关增值服务来帮助优化客户的工作效率,提高可靠性和安全性,致力于成为工业产品和解决方案的优质渠道。
如果有任何关于REXROTH阀054248100220000 R930001882的疑问,请随时与我们沟通(021-31006702)。我们将尽全力解决您的问题。
If you have any question for REXROTH products, please feel free to dial 0086-21-3100 6702/ send request email to [email protected] / browse our website: www.ize-industries.com.
REXROTH阀054248100220000 R930001882技术参数及选型

沪公网安备31011002006738号