MAGNALOY专业生产重量轻便的重型柔性驱动联轴器。MAGNALOY已经生产超过40年的精密加工镁合金铸造联轴器。今天,MAGNALOY提供许多产品,除了驱动联轴器,还包括泵/马达安装座,中联轴器,流体动力配件的完整系列,液压阀块和阀块附件以及液压油箱。
MAGNALOY产品有:
联轴器
阀组
杆端联轴器
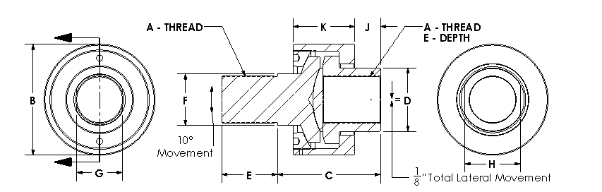
| |
B | 7 |
G | 2.875 |
A | 3-12 |
F | 3.250 |
E | 3.500 |
C | 6.500 |
K | 3.875 |
J | 1.625 |
D | 4.000 |
E | 3.500 |
H | 3.500 |
MAX. RATED LOAD (LBS) | 180.580 |
PULL AT YIELD (LBS.) | 723.400 |
APPROX WEIGHT (LBS) | 45.3 |
MAGNALOY联轴器其他常见型号:
MAGNALOY M080-30012
MAGNALOY M080-21612
MAGNALOY Coupling NEW + ORIGINAL+ ONE YEAR WARRANTY
爱泽工业成立于2010年,定位于向先进制造工业提供高端制造技术和设备。代理经营世界先进的电气自动化、机械与传动、流体控制、仪器仪表、工具等产品。作为电气,液压以及气动解决方案的合作伙伴,我们利用我们的全球协作团队,为客户提供先进解决方案,市场知识以及相关增值服务来帮助优化客户的工作效率,提高可靠性和安全性,致力于成为工业产品和解决方案的优质渠道。
如果有任何关于MAGNALOY联轴器M080-30012的疑问,请随时与我们电联,(021-3100 6702),我们将尽全力解决您的问题。
If you have any question for MAGNALOY products, please feel free to dial 0086-21-3100 6702/ send request email to [email protected] / browse our website: www.ize-industries.com.
MAGNALOY联轴器M080-30012参数介绍

沪公网安备31011002006738号