RASTELLI RACCORDI 提供范围广泛的产品,包括:
碳钢和不锈钢管件
碳钢和不锈钢扩口管接头
软管接头
适配器
燃气管配件
止回阀
用于堵塞管道的球阀丝锥和支架
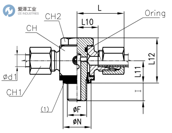
RASTELLI RACCORDI接头TN131-6LLR技术参数
Series | LL |
|
Ø Tube O.D. d1 | 6 | |
PE | 100 | |
CH | 14 | |
CH1 | 12 | |
CH2 | 14 | |
I | 6 | |
Ø F | 1/8“ | |
Ø N | 14,5 | |
L | 20 | |
L10 | 11,5 | |
L11 | 10 | |
L12 | 21,5 | |
L3 | 15,5 | |
Part. No. | ||
Complete | TN 131 - 6 LLR | |
Only body | TS 131 - 6 LLR | |
Weight. × 100P. | ||
Complete | 3,6 | |
Only body | 3,1 |
RASTELLI RACCORDI接头TN131R系列其他常用型号:
RASTELLI RACCORDI TN131-4LLR
RASTELLI RACCORDI TN131-5LLR
RASTELLI RACCORDI TN131-6LLR
RASTELLI RACCORDI TN 131-8LLR
RASTELLI RACCORDI TN131-6LR
RASTELLI RACCORDI TN131-8LR
RASTELLI RACCORDI TN131-10 LR
RASTELLI RACCORDI TN131-12LR
RASTELLI RACCORDI TN131-15LR
RASTELLI RACCORDI TN131-18LR
RASTELLI RACCORDI TN131-22 LR
RASTELLI RACCORDI COUPLINGS NEW + ORIGINAL+ ONE YEAR WARRANTY
爱泽工业成立于2010年,定位于向制造工业提供高端制造技术和设备。代理经营世界优质的电气自动化、机械与传动、流体控制、仪器仪表、工具等产品。作为电气,液压以及气动解决方案的合作伙伴,我们利用我们的全球协作团队,为客户提供先进解决方案,市场知识以及相关增值服务来帮助优化客户的工作效率,提高可靠性和安全性,致力于成为工业产品和解决方案的优质渠道。
如果有任何关于RASTELLI RACCORDI接头TN131-6LLR的疑问,请随时与我们沟通(021-31006702)。我们将尽全力解决您的问题。
If you have any question for RASTELLI RACCORDI products, please feel free to dial 0086-21-3100 6702/ send request email to [email protected] / browse our website:www.ize-industries.com.
RASTELLI RACCORDI接头TN131-6LLR技术参数

沪公网安备31011002006738号