德国ASKUBAL公司,专业研制、生产球轴承,公司成立于1934年。其生产的平面球轴承、关节轴承被广泛应用于机器人、工程机械、纺织机械、汽车、航天等领域。
ASKUBAL的三大企业理念支柱:优质产品,满足自定义要求,快速。全球分销主要有ASKUBAL球轴承、ASKUBAL关节轴承、ASKUBAL滚子轴承、ASKUBAL深沟球轴承。
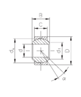
d Internal dia. | 10mm |
|
D External dia. | 22mm | |
B Thickness | 14mm | |
d1 | 12.9mm | |
dk | 19mm | |
C | 10.5mm | |
α Angle | 13° | |
Cor Charge statique | 43kN |
ASKUBAL轴承G系列介绍
Type G
DIN ISO 12240-1
dimension series K
Inner ring: Antifriction bearing steel, hardened, ground and polished.
Outer ring: Outer diameter ground. Sliding face made of high-duty bronze. Lubricant is distributed via the lubricating groove in the outer ring.
Lubrication: The lubricant enters the lubricating groove througth a cross hole in the outer ring.
Special versions: are available on request e.g.:- Sliding face of inner ring hard chromium plated.
G型
DIN ISO 12240-1
尺寸系列 K
内圈:耐磨轴承钢,经硬化、研磨和抛光处理。
外圈:外径磨削。 滑动面由高强度青铜制成。 润滑剂通过外圈上的润滑槽分配。
润滑:润滑剂通过外圈上的十字孔进入润滑槽。
特殊版本:可应要求提供,例如:- 内圈滑动面镀硬铬。
ASKUBAL轴承G系列其他型号列举:
ASKUBAL G3
ASKUBAL G5
ASKUBAL G6
ASKUBAL G8
ASKUBAL G10
ASKUBAL G12
ASKUBAL G14
ASKUBAL G16
ASKUBAL G18
ASKUBAL G20
ASKUBAL G22
ASKUBAL G25
ASKUBAL G30
ASKUBAL G35
ASKUBAL G40
ASKUBAL G50
ASKUBAL Solenoid valve NEW + ORIGINAL+ ONE YEAR WARRANTY
爱泽工业成立于2010年,定位于向先进制造工业提供高端制造技术和设备。代理经营世界先进的电气自动化、机械与传动、流体控制、仪器仪表、工具等产品。作为电气,液压以及气动解决方案的合作伙伴,我们利用我们的全球协作团队,为客户提供先进解决方案,市场知识以及相关增值服务来帮助优化客户的工作效率,提高可靠性和安全性,致力于成为工业产品和解决方案的优质渠道。
如果有任何关于ASKUBAL轴承G10-IHV的疑问,请随时与我们电联,(021-3100 6702),我们将尽全力解决您的问题。
If you have any question for ASKUBAL products, please feel free to dial 0086-21-3100 6702/ send request email to [email protected] / browse our website: www.ize-industries.com.
ASKUBAL轴承g10-ihv技术参数

沪公网安备31011002006738号