OIL CONTROL成立于1974年(现被博士力士乐收购),在意大利工业领域运动控制阀移动机械市场占有很高的市场容量,且业绩在汽车和工程机械行业迅速增长。今天的OIL CONTROL公司,已是移动设备与机械领域的阀门优质供应商,可以提供1600种不同类型的阀门生产与设计。
REXROTH OIL CONTROL的主要产品有:换向阀,止回阀,电磁阀,平衡阀,球阀,插装阀,单向阀,溢流阀,行程阀,驱动阀,安全阀,阀组,阀块,电磁阀线圈,流量计等等。
REXROTH OIL CONTROL阀VSO-DE-FC2系列技术参数
Technical data | |
Hydraulic | |
Operating pressure bar (psi) | up to 210 (3000) |
Max. flow l/min (gpm) | 30 (8) |
Pilot ratio | 7 : 1 |
General | |
Manifold material | Aluminium |
Weight kg (lbs) | 0.9 (1.98) |
Fluid temperature range °C (°F) | between -30 (-22) and +100 (212) |
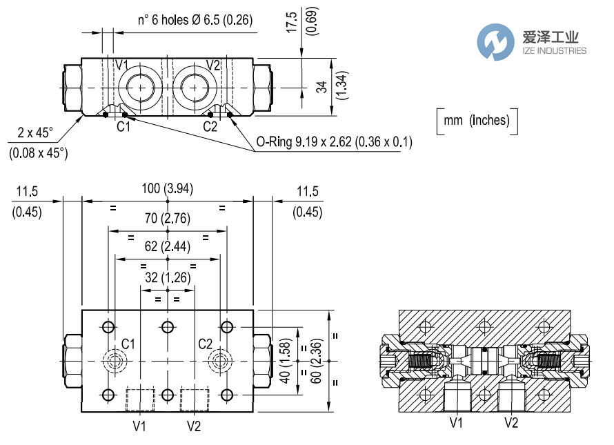
REXROTH OIL CONTROL阀VSO-DE-FC2 系列技术尺寸

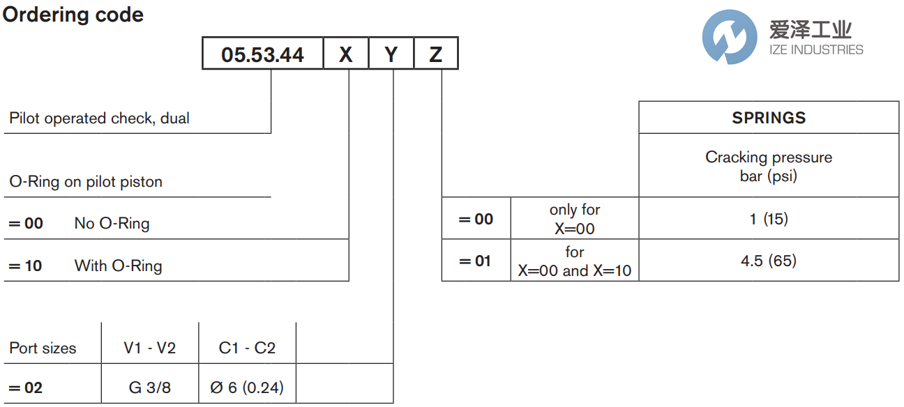
REXROTH OIL CONTROL阀VSO-DE-FC2 系列选型

REXROTH OIL CONTROL阀VSO-DE-FC2 系列其他常用型号:
REXROTH OIL CONTROL 055344100200000 R930002460
REXROTH OIL CONTROL 055344000200000 R930002457
REXROTH OIL CONTROL 055344000201000 R930002459
REXROTH OIL CONTROL 055344100201000 R930002461
REXROTH OIL CONTROL VALVE NEW + ORIGINAL+ ONE YEAR WARRANTY
爱泽工业成立于2010年,定位于向制造工业提供高端制造技术和设备。代理经营世界优质的电气自动化、机械与传动、流体控制、仪器仪表、工具等产品。作为电气,液压以及气动解决方案的合作伙伴,我们利用我们的全球协作团队,为客户提供先进解决方案,市场知识以及相关增值服务来帮助优化客户的工作效率,提高可靠性和安全性,致力于成为工业产品和解决方案的优质渠道。
如果有任何关于REXROTH OIL CONTROL阀055344100200000 R930002460的疑问,请随时与我们沟通(021-31006702)。我们将尽全力解决您的问题。
If you have any question for REXROTH OIL CONTROL products, please feel free to dial 0086-21-3100 6702/ send request email to [email protected] / browse our website:www.ize-industries.com.
REXROTH OIL CONTROL阀055344100200000 R930002460技术参数及选型

沪公网安备31011002006738号