BELIMO作为一家始创于1975年的瑞士公司,BELIMO博力谋主要为广大客户提供应用在加热,通风及空调等领域的优秀品质的风门和执行器。
BELIMO产品有:风阀执行器,阀门,感测器等。
Electrical data | |
Nominal voltage | AC/DC 24 V |
Nominal voltage frequency | 50/60 Hz |
Nominal voltage range | AC 19.2...28.8 V / DC 21.6...28.8 V |
Power consumption in operation | 4 W |
Power consumption in rest position | 1.4 W |
Power consumption for wire sizing | 6 VA |
Power consumption for wire sizing note | Imax 8.3 A @ 5 ms |
Auxiliary switch | 2 x SPDT |
Switching capacity auxiliary switch | 1 mA...3 A (0.5 A inductive), DC 5 V...AC 250 V (II, reinforced insulation) |
Switching points auxiliary switch | 5° / 80° |
Connection supply / control | Cable 1 m, 2 x 0.75 mm² (halogen-free) |
Connection auxiliary switch | Cable 1 m, 6 x 0.75 mm² (halogen-free) |
Cable length thermoelectric tripping device | 1 m |
Functional data | |
Torque motor | 9 Nm |
Torque fail-safe | 7 Nm |
Direction of motion motor | selectable by mounting L/R |
Manual override | with position stop |
Angle of rotation | Max. 95° |
Running time motor | <60 s / 90° |
Running time fail-safe | 20 s @ -10...55°C / <60 s @ -30...-10°C |
Sound power level, motor | 55 dB(A) |
Sound power level, fail-safe | 67 dB(A) |
Mechanical interface | Form fit 12x12 mm, continuous hollow shaft |
Position indication | Mechanically, with pointer |
Service life | Min. 60'000 safety positions |
Safety data | |
Response temperature thermal fuse | Duct outside temperature 72°C |
Protection class IEC/EN | III, Safety Extra-Low Voltage (SELV) |
Protection class auxiliary switch IEC/EN | II, reinforced insulation |
Degree of protection IEC/EN | IP54 |
EMC | CE according to 2014/30/EU |
Low voltage directive | CE according to 2014/35/EU |
Certification IEC/EN | IEC/EN 60730-1 and IEC/EN 60730-2-14 |
Mode of operation | Type 1.AA.B |
Rated impulse voltage supply / control | 0.8 kV |
Pollution degree | 3 |
Ambient humidity | Max. 95% RH, non-condensing |
Ambient temperature normal operation | -30...55°C |
Ambient temperature safety operation | The safety position will be attained up to max.75°C |
Storage temperature | -40...55°C [-40...131°F] |
Servicing | maintenance-free |
Weight | |
Weight | 1.4 kg |
BELIMO执行器BFN24-T产品介绍
弹簧复位执行器与热电脱扣装置 BAT (72°C) 相结合,用于通风和空调系统中 90° 的防火和防烟风门。
• 扭矩 9 Nm / 7 Nm
• 标称电压 AC/DC 24 V
• 控制打开/关闭
• 机械接口形式 12x12 mm,连续空心轴
Spring-return actuator, combined with thermoelectric tripping device BAT (72°C), for fire and smoke dampers 90° in ventilation and air-conditioning systems.
• Torque 9 Nm / 7 Nm
• Nominal voltage AC/DC 24 V
• Control Open/close
• Mechanical interface Form fit 12x12 mm, continuous hollow shaft
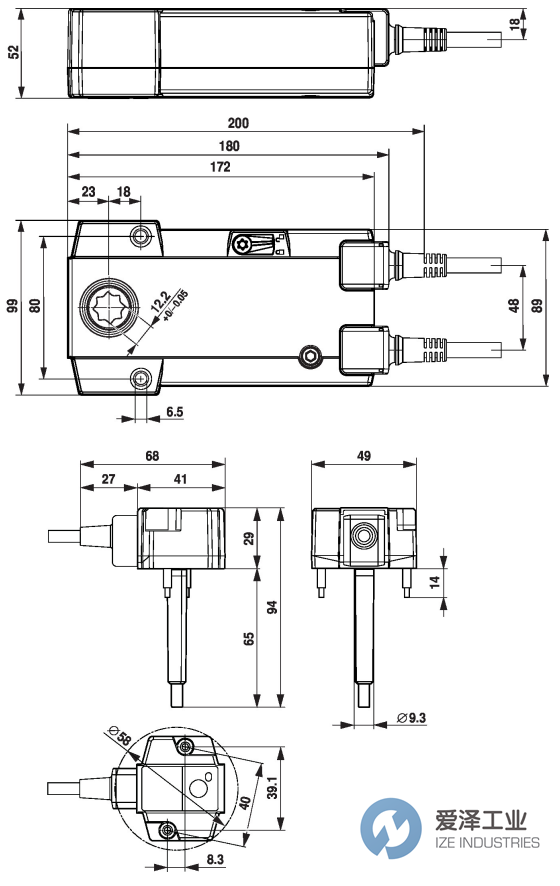
BELIMO执行器BFN24-T技术尺寸

BELIMO执行器BFN24-T/系列其他常用型号:
BELIMO BFN24
BELIMO BFN24-ST
BELIMO BFN24-T
BELIMO BFN24-T-ST
BELIMO Actuator NEW + ORIGINAL+ ONE YEAR WARRANTY
爱泽工业成立于2010年,定位于向制造工业提供高端制造技术和设备。代理经营世界优质的电气自动化、机械与传动、流体控制、仪器仪表、工具等产品。作为电气,液压以及气动解决方案的合作伙伴,我们利用我们的全球协作团队,为客户提供先进解决方案,市场知识以及相关增值服务来帮助优化客户的工作效率,提高可靠性和安全性,致力于成为工业产品和解决方案的优质渠道。
如果有任何关于BELIMO执行器BFN24-T的疑问,请随时与我们沟通(021-31006702)。我们将尽全力解决您的问题。
If you have any question for BELIMO products, please feel free to dial 0086-21-3100 6702/ send request email to [email protected] / browse our website:www.ize-industries.com.
BELIMO执行器BFN24-T技术参数及尺寸

沪公网安备31011002006738号