MCC产品有链条和皮带。
MCC皮带837.12.01尺寸介绍
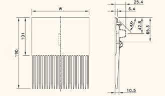
’Click-Comb’ fingerplate type | 2000 XLG 190 x 152 |
|
Code nr. | 837.12.01 | |
Length | 190 mm | |
Width W | 151 mm | |
Weight | 0.16 kg |
MCC皮带产品介绍
The 2000-series 2-inch pitch belt is typically used in heavy-duty applications, such as pasteurizers, palletizers and accumulation tables. The modules are designed with rigid cross ribs and the multi-angular sprockets support the modules optimally. As a standard the belts are supplied in high-temperature and chemical resistant polypropylene.
• Pin retention by means of clips for easy installation and maintenance.
• Cross rib design creating a high stiffness of the modules to handle huge product loads and taking care of a flat surface for optimum product handling.
• Superb product handling from and onto the belt by using DTS-C transfer system in combination with Raised Rib 2000.
2000 系列 2 英寸节距皮带通常用于重型应用,例如巴氏杀菌机、码垛机和堆积台。 模块采用刚性横肋设计,多角链轮为模块提供最佳支撑。 作为标准,皮带采用耐高温和耐化学腐蚀的聚丙烯制成。
• 通过夹子固定销钉,便于安装和维护。
• 交叉肋设计创造了模块的高刚度以处理巨大的产品负载并照顾平坦的表面以实现最佳的产品处理。
• 使用 DTS-C 传输系统与 Raised Rib 2000 相结合,在传送带上实现卓越的产品处理。
MCC皮带其他常见系列:
MCC 2000 XLG 190 x 152 837.12.01
MCC 2000 XLG 190 x 74 837.12.02
MCC Pulley NEW + ORIGINAL+ ONE YEAR WARRANTY
爱泽工业成立于2010年,定位于向先进制造工业提供高端制造技术和设备。代理经营世界先进的电气自动化、机械与传动、流体控制、仪器仪表、工具等产品。作为电气,液压以及气动解决方案的合作伙伴,我们利用我们的全球协作团队,为客户提供先进解决方案,市场知识以及相关增值服务来帮助优化客户的工作效率,提高可靠性和安全性,致力于成为工业产品和解决方案的优质渠道。
如果有任何关于MCC皮带 837.12.01的疑问,请随时与我们沟通(021-31006702)。我们将尽全力解决您的问题。
If you have any question for MCC products, please feel free to dial 0086-21-3100 6702/ send request email to [email protected] / browse our website: www.ize-industries.com.
MCC皮带837.12.01产品参数

沪公网安备31011002006738号