SETRA为许多不同的应用和行业设计和提供传感设备,为HVAC和楼宇自动化,工业OEM,测试和测量以及关键环境创新解决方案。
主营业务有:
SETRA微型显示器
SETRA网络功率计
SETRA电流互感器
SETRA空气质量检测
SETRA温湿度变送器
SETRA微型电流开关
SETRA仪表压力传感器
SETRA气压传感器
SETRA工业OEM压力传感器
SETRA分裂式电流开关
SETRA速度传感器
SETRA多量程通用压力传感器
SETRA数字压力表。
SETRA压力传感器204系列技术参数
Performance data | |
Accuracy RSS1 (at constant temp) | ±0.11% FS |
Non-linearity (BFSL) | ±0.07% FS |
Hysteresis | 0.08% FS |
Non-repeatability | 0.02% FS |
Physical description | |
Pressure fittings | 1/4” -18 NPT internal |
Excitation | 22 to 30 VDC, 24 VDC (normal) Reverse excitation protected |
Output | 0 to 5 VDC5 |
Power consumption | 10 mA (0.25 Watts) |
Output impedance | <10 Ohms |
Output noise | <100 Microvolts RMS (0 Hz to KHz) |
Environmental data | |
Operating temperature3 °F(°C) | 0 to +175 (-18 to +80) |
Storage temperature °F(°C) | -65 to +250 (-55 to +120) |
Vibration | 2g from 5 Hz to 500 Hz |
Shock | 50g |
Acceleration | 10g maximum |
Thermal effects | |
Zero/ span shift %FS/100°F (%FS/50°C) | <±0.4 (<±0.36) |
Span shift %FS/100°F (%FS/50°C) | <±0.3 (<±0.27) |
Static acceleration effect | <0.05 PSI/G (Typ.) (Pressure port axis) |
Volume increase due to FS pressure | 5 x 10-5 cu. in. |
Warm-up shift | +0.5% total (±0.1% residual shift after 5 minutes) |
SETRA压力传感器204系列介绍
204 可在很宽的温度范围内提供 ±0.073% FS 的高性能精度。204 提供多种选择,以满足各种简单和苛刻的应用要求。
长期可靠性- 204 型压力传感器采用简单可靠的可变电容传感器设计。204 通过其高效的传感器设计在坚固的应用中提供可重复且可靠的读数。
精度和性能- 204 型是用于中高压范围的测试和测量级传感器。204 涵盖了广泛的压力范围选择,在很宽的温度范围内具有 ±0.073% FS 的精度。204 型的响应时间不到 1 毫秒。
定制标准- 204 提供了许多可以集成到现有系统设计中的机械和电气选项。这些选项减少了工程设计时间,从而可以更早地完成项目并加快上市时间。
The 204 offers high performance accuracy of ±0.073% FS over a wide temperature range. The 204 offers a variety of options to meet a variety of simple and demanding application requirements.
Long-Term Reliability - The Model 204 pressure sensor utilizes a simple and reliable variable capacitance sensor design. The 204 provides repeatable and reliable readings in rugged applications through its efficient sensor design.
Accuracy and Performance - The Model 204 is a test and measurement grade sensor for the medium and high pressure ranges. The 204 covers a wide selection of pressure ranges with ±0.073% FS accuracy over a wide temperature range. The Model 204 has a response time of less than 1 millisecond.
Custom Standard-204 offers many mechanical and electrical options that can be integrated into existing system designs. These options reduce engineering time, allowing for earlier project completion and faster time-to-market.
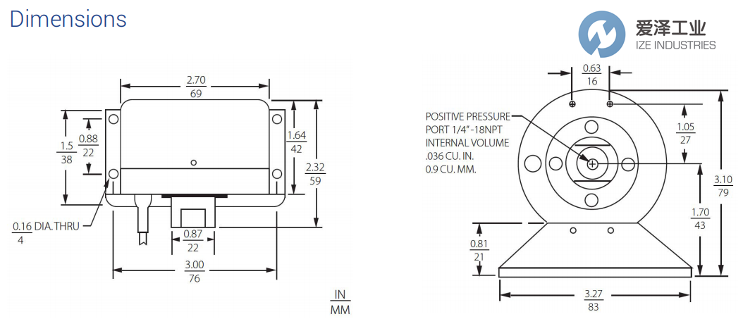
SETRA压力传感器204系列技术尺寸
SETRA压力传感器204系列选型

SETRA压力传感器204系列其他常用型号:
SETRA 204130CPG2F2BY19NN
SETRA 2041025PG2F1110W3
SETRA 2041Z01PV2F1110WNN
SETRA 2041100PG2F111093
SETRA 2041250PG2F2B02WNN
SETRA Pressure Transducer NEW + ORIGINAL+ ONE YEAR WARRANTY
爱泽工业成立于2010年,定位于向制造工业提供高端制造技术和设备。代理经营世界优质的电气自动化、机械与传动、流体控制、仪器仪表、工具等产品。作为电气,液压以及气动解决方案的合作伙伴,我们利用我们的全球协作团队,为客户提供先进解决方案,市场知识以及相关增值服务来帮助优化客户的工作效率,提高可靠性和安全性,致力于成为工业产品和解决方案的优质渠道。
如果有任何关于SETRA压力传感器2041250PG2F2B02WNN的疑问,请随时与我们沟通(021-31006702)。我们将尽全力解决您的问题。
If you have any question for SETRA products, please feel free to dial 0086-21-3100 6702/ send request email to [email protected] / browse our website:www.ize-industries.com.
SETRA压力传感器204系列2041250PG2F2B02WNN技术参数及选型

沪公网安备31011002006738号